

| 產品名稱: | D-2274-B | 類型: | 軸承 圓柱滾子軸承 |
|---|---|---|---|
| 品牌: | TIMKEN | 新型號: | D-2274-B |
| 舊型號: | D-2274-B | 內徑d: | 146.05 |
| 外徑D: | 203.2 | 厚度(mm): | 76.2 |
| 重量: |
咨詢熱線:13562012537
咨詢熱線:18366426352


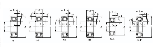
圓柱滾子軸承一般只用來承受徑向負荷,與相同尺寸的深溝球軸承相比,有較大的徑向負荷能力,極限轉速接近深溝球軸承,但與這類軸承配合的軸﹑殼體孔的加工要求較高,允許內圈軸線與外圈軸線傾斜度很?。?°-4°),兩軸線傾斜如超越限度,滾子與套圈滾道的接觸情況將要惡化,嚴重影響軸承的負荷能力,降低軸承的使用壽命。所以該類軸承如需要安裝在承受軸向負荷作用的主機部件中,只有在同時使用其他類型軸承去承受軸向負荷的前提下,才可使用。